Connector 200-240V AC/DC (DIN - A) with LED and Varistor - Burkert 2508 008369
Notice: This product is discontinued
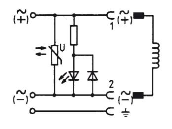
This Burkert 2508 DIN-A connector is used for connecting electrical components, like a solenoid valve, to a power supply. It is rated IP65, has a rated voltage of 200 - 240V AC/DC, max amperage of 6A, and suitable for an ambient temperature of max 90⁰C. This cable plug has an LED and varistor in the circuit, so the LED is for visual feedback and the varistor to protect it from voltage spikes. It is modular, compact and allows for fast assembly and reduced integration time.
Notice: This product is discontinued
Description
This Burkert 2508 connector has a LED and varistor and is suitable for a DIN EN 175301-803 Form A (previously DIN 43650) connection, but simply referred to as a DIN-A connection. DIN-A connectors are also called "sugar cube connectors" or "MPM". The Form A refers to the distance between the pins, which is 18mm. It is rated for 200 - 240V AC/DC, 6A, and suitable for an ambient temperature of max 90⁰C. It is modular, compact, IP65 certified, connects the wires at a 90⁰ angle, allows for fast assembly and reduced integration time. This version comes with a steel mounting screw and as standard has an earth ground connection point. This cable plug has an LED and varistor in the circuit. The LED is used for reduced installation time and faster electrical troubleshooting due to the visual feedback. The varistor is used to protect the power supply and valve from voltage spikes by clamping the voltage to a safe level. Correct polarity is crucial for proper operation and a sufficient amount of current must pass through to light the LED.
Pros:
- Adheres to DIN EN 175301-803 Form A, which is commonly used globally and can be used with numerous brands.
- This cable plug has an LED and varistor in the circuit, so the LED is for visual feedback and the varistor to protect it from voltage spikes.
- Burkert proven reliability.
- Allows for fast assembly and reduced integration time.
- IP65 certified.
Cons:
- Only suitable for 200 - 240V AC/DC.
2508 series
The Burkert 2508 series is a range of cable plugs used to connect a power source to an electrical component, like a valve. Every plug is designed according to DIN EN 175301-803 (previously DIN 43650) Form A (shortly DIN-A). It comes in a wide variety of voltages, amperage and designs, each of which meet different protection, indication, or performance requirements. Possible circuitry options are: 2-pin without circuit, 3-pin without circuit, LED, varistor, rectifier, pole protection, freewheeling diode, HL-circuit, LR-circuit, IN-circuit, or a combination of different circuits. They connect at a 90⁰ angle and are IP65 certified, allowing for fast assembly and reduced integration time.



