Connector 12-240V DC (DIN - A) with 3m cable Recovery Diode and Polarity Protection - Burkert 2508 783589
Notice: This product is discontinued
This Burkert 2508 DIN-A connector is used for connecting electrical components, like a solenoid valve, to a power supply. It is rated IP65, has a rated voltage of 12 - 240V DC, max amperage of 1A, and suitable for an ambient temperature of max 90⁰C. This cable plug has pole protection and a freewheeling diode in the circuit to protect a switching DC power supply from transient voltage spikes. Not suitable for alternate current power supplies (AC). It is modular, compact, comes with a 3m cable and allows for fast assembly and reduced integration time.
Notice: This product is discontinued
Description
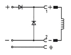
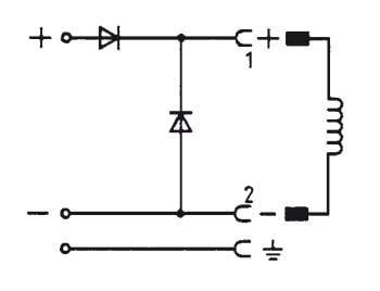
This Burkert 2508 connector has a pole protection and free wheeling diode and is suitable for a DIN EN 175301-803 Form A (previously DIN 43650) connection, but simply referred to as a DIN-A connection. DIN-A connectors are also called "sugar cube connectors" or "MPM". The Form A refers to the distance between the pins, which is 18mm. It is rated for 12 - 240V DC, 1A, and suitable for an ambient temperature of max 90⁰C. It is modular, compact, IP65 certified, connects the wires at a 90⁰ angle, allows for fast assembly and reduced integration time. This version comes with a steel mounting screw, a 3m cable and as standard has an earth ground connection point. This cable plug has pole protection and a freewheeling diode in the circuit. The pole protection and freewheeling diode are used together to protect a switching DC power supply from transient voltage spikes, like a short-term back electromotive force (EMF) that is common in valve operation. Correct polarity is crucial for proper operation.
Pros:
- Adheres to DIN EN 175301-803 Form A, which is commonly used globally and can be used with numerous brands.
- This cable plug has pole protection and a freewheeling diode in the circuit to protect a switching DC power supply from transient voltage spikes.
- Burkert proven reliability.
- Allows for fast assembly and reduced integration time.
- IP65 certified.
Cons:
- Only suitable for 12 - 240V DC.
- Not suitable for alternate current power supplies (AC).
2508 series
The Burkert 2508 series is a range of cable plugs used to connect a power source to an electrical component, like a valve. Every plug is designed according to DIN EN 175301-803 (previously DIN 43650) Form A (shortly DIN-A). It comes in a wide variety of voltages, amperage and designs, each of which meet different protection, indication, or performance requirements. Possible circuitry options are: 2-pin without circuit, 3-pin without circuit, LED, varistor, rectifier, pole protection, freewheeling diode, HL-circuit, LR-circuit, IN-circuit, or a combination of different circuits. They connect at a 90⁰ angle and are IP65 certified, allowing for fast assembly and reduced integration time.



