DN40 (1-1/2 inch) 24VAC Lug Electric Butterfly Valve GGG40-Stainless Steel-FKM - BFLL
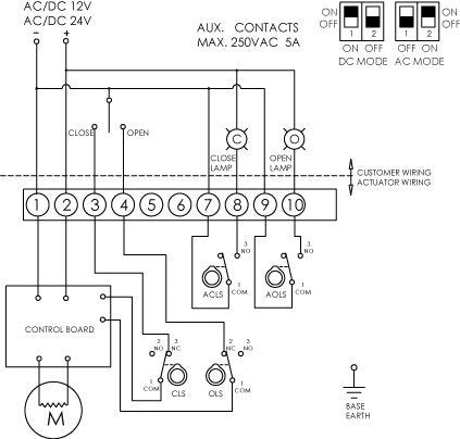
This electrically controlled butterfly valve is a robust and durable solution for remote on/off control. The butterfly valve has a cast iron housing, stainless steel disc and a FKM seal. The actuator requires 24 volts DC or AC and generates 40 Nm of opening torque to turn the valve from 0-90 degrees in 8 seconds. With two switches the right setting (AC or DC) can be set. The nominal current while running is 0.2 amps (peak current 1.2 A). The valve has 3-point control: besides the two contacts for power supply (plus and minus), there is one signal for opening (minus) and one signal for closing (minus). The butterfly valve has a lug type flange for connecting it to the piping, a nominal diameter of DN 40 (1-1/2 inch), and is rated up to 6 bar for non-hazardous fluids. Please note that the maximum pressure may deviate based on the medium type, so carefully check the datasheet. The butterfly valve has a stainless steel disc which makes it suitable for water, abrasive media, or food product applications. The FKM seal in the valve allows for a temperature range of 5°C to 180°C. The actuator has a robust, compact cast iron housing (powder coated) and is resistant to dust and moisture (IP67 certified), provided that a properly sized cable is correctly installed. The actuator has a manual override feature and has a position indicator on the top. The actuator is mounted on the butterfly valve via the ISO 5211 F05 flange (11 mm).
- Regular price
- £590.04
Description
This electrically controlled butterfly valve is a robust and durable solution for remote on/off control. The butterfly valve has a cast iron housing, stainless steel disc and a FKM seal. The actuator requires 24 volts DC or AC and generates 40 Nm of opening torque to turn the valve from 0-90 degrees in 8 seconds. With two switches the right setting (AC or DC) can be set. The nominal current while running is 0.2 amps (peak current 1.2 A). The valve has 3-point control: besides the two contacts for power supply (plus and minus), there is one signal for opening (minus) and one signal for closing (minus). The butterfly valve has a lug type flange for connecting it to the piping, a nominal diameter of DN 40 (1-1/2 inch), and is rated up to 6 bar for non-hazardous fluids. Please note that the maximum pressure may deviate based on the medium type, so carefully check the datasheet. The butterfly valve has a stainless steel disc which makes it suitable for water, abrasive media, or food product applications. The FKM seal in the valve allows for a temperature range of 5°C to 180°C. The actuator has a robust, compact cast iron housing (powder coated) and is resistant to dust and moisture (IP67 certified), provided that a properly sized cable is correctly installed. The actuator has a manual override feature and has a position indicator on the top. The actuator is mounted on the butterfly valve via the ISO 5211 F05 flange (11 mm).
Pros:
- No risk of water hammer due to slow closing (7 s).
- The components are interchangeable and can be replaced individually if needed.
- It only uses energy during movement and not to maintain open or close.
- High Kv-value because the fluid flows in a straight line.
- It has a small construction length for a DN 40 (1-1/2 inch) diameter in comparison to the same size diameter ball valve.
- It can be used for a wide array of fluids and gases.
- Suitable for viscous media.
Cons:
- If power fails, it cannot be operated remotely. However, there is a manual override feature.
- The valve doesn't have a fully unobstructed flow path due to the disc compared to ball valves.
BFL - AG series
BFL
The BFL series butterfly valves are a great cost effective solution for on/off operations as well as modulating the flow. Manually operated by either a squeeze lever with a locking detent or hand gear wheel, they are easily used. Suitable for pressures from 4 - 16 bar depending on the diameter size (25 - 300mm), media, and material combination. Remove the squeeze lever or handwheel to create an ISO 5211 flange (size F05 to F12). It has a small constructive length relative to the diameter and can be installed with wafer or lug flanges, based on the selected valve body type. There is also a wide range of housing, disc, and seal material options allowing these butterfly valves. They can be used for both liquids and gases in applications with a large temperature range. Some models can also be used for drinking water (DVGW approval).
AG
The AG quarter turn (90⁰) electric actuators allow you to control butterfly or ball valves with electricity. They are easy to install and wire, allowing for quick integration into your system for automation. They have an ISO-5211 flange of type F03, F04, or F05 with a shaft square of 14mm. The maximum torque is 40Nm (opens in 8 seconds) or a smaller one producing 20Nm (opens in 4 seconds) and they can run on a wide range of available voltage. They have a compact aluminum housing (powder coated) and are IP67. They have a manual override feature and a position indicator on top to indicate valve position.
Spare parts
Below is a list of the spare parts for this unit should they be needed. Simply use the SKU number in our search bar to find the proper part.Butterfly valve: BFLL-40-6-BBC
Actuator: AG-040-B
Note: This product is delivered in separate parts, but with the required mounting accessories.



