G1/4'' 24V DC 5/2-Way NAMUR Solenoid Valve 1.5-8bar MVSN
5/2-way pneumatic solenoid valve from Mindman with G1/4" ports (female thread), Namur 1/4" (VDI/VDE 3845) configuration, G1/8" exhaust ports and 24V DC coil. The valve is mono-stable (spring return). Indirect operated (internally piloted). Applications include controlling a double-acting cylinder or pneumatic actuator. Operating pressure 2-8 bar. Medium air, not suitable for other media or vacuum. With manual override control. Can be mounted on manifold with central air supply/vent. Response time 0.038s, Kv-value 0.8 Nm3/h (862 Nl/min).
Including coil and DIN-B connector- Regular price
- £21.69
Description
High-quality pneumatic solenoid valve from Mindman. This valve is 5/2 way and mono-stable (1 coil). The valve has G1/4" ports (BSPP thread). The coil voltage is 24V DC and the power is 4.9VA. Please note that the exhaust ports have G1/8" threads, they are smaller than the other ports. The valve can only be operated with compressed air (filtered up to 5 μm) that doesn't need to be lubricated. The operating pressure is 2 to 8 bar. This valve has a Namur configuration, allowing it to be mounted directly to a pneumatic actuator without hose connection. Response time is 0.038 s. Kv value 0.8 (862Nl/min). This valve is equipped with a manual override.
A 5/2-way valve has five ports and two states. Two ports (A and B) connect to the appliance, for example a double acting cylinder. One port is used to supply pressurized air (port P), the two remaining ports are exhausts (port S and R) and are connected to respectively port B and A. By switching state, either port A is pressurized and port B vented, or port A is vented and port B pressurized. If the valve is used to control a double acting cylinder, one valve state is used to move the cylinder in one direction, and the other state is used to move the cylinder in opposite direction. This valve is single acting, which means that the valve is controlled by one solenoid and returns to the rest position by means of a spring. If the solenoid is not activated, the valve returns to the rest position (right quadrant).
Mindman is an international manufacturer of high-quality pneumatic components with main production in Taiwan. With a rich production history, a very wide range and cost-efficient production of high-quality products, they are one of the true market leaders in the pneumatics industry.
Key benefits
- Low flow resistance (Kv=0.8m3/h)
- Fast and reliable operation
- Long lifespan (12.000.000+ cycles)
- Low energy consumption (4.9VA)
- Maintenance free design
- Coil can be installed in four directions (4 x 90°)
- Designed for manifold mounting
Important notes
- Only for (clean) air, not for other media or vacuum.
- Minimal pressure of 2 bar required for proper operation (pilot operated valve).
- Do not apply any voltage to the coil when the coil is removed from the valve in order to prevent burn-through.
- Never exceed the valve limits (pressure, temperature, voltage, media, etc.).
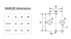
Namur configuration
Namur (VDI/VDE 3845) defines a standard interface between pneumatic directional valves and actuators. The solenoid valve has two O-rings to create a leak-tight connection between the valve and the actuator. The solenoid valve can be rotated 180 degrees, this determines whether the actuator is pressurized or vented when the solenoid is activated.
In the box
- Solenoid valve (type MVSN-220-4E1-8A-DC24)



