Pressure Regulator G3/4'' 15000 l/min 0.2-6.0bar/3-87psi Aluminium 40bar/580psi Cylinder Lock Standard 5
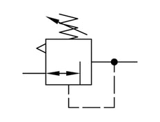
This G 3/4 inch pneumatic pressure regulator controls the output pressure to a set, stable level even when the input pressure varies. The adjustable output pressure range is 0.2 to 6.0 bar (3 to 87 psi). The regulator is self-relieving. Includes a pressure gauge. The max flow rate is 15000 l/min (always use the flow chart for correct sizing). Suitable for a 40 bar (580 psi) max input and temperatures between -10 and 60 °C (14 and 140 °F). To adjust the output pressure, pull the hand wheel up and twist. Lock by pushing the wheel back in.
- Regular price
- £328.56
Description
The pressure regulator adjusts the pressure continuously to a stable level, even when the input pressure varies. The level can be adjusted between 0.2 to 6.0 bar (3 to 87 psi). This model has G 3/4 inch ports. The maximum flow rate is 15000 l/min. Please note that the maximum flow rate alone doesn't provide enough information to proper sizing. Use the flow curve to determine if the pressure drop (droop) within your expected flow rate range is acceptable. The flow curve shows the flow rate for a set input pressure with multiple output pressures. For each output pressure, it can be seen how the pressure changes with increasing flow rate. It is recommended to use the device in the flat range of the curve, and not on the beginning or the end of the curve. Note that the pressure regulator controls the output pressure, not the flow rate. The output pressure can be adjusted by pulling the hand wheel up and twisting. It can be locked after adjustment by pushing the hand wheel back in.
The maximum input pressure is 40 bar (580 psi) and the temperature range is between -10 and 60 °C (14 and 140 °F). There is a built-in pressure relief valve on the outlet side when the set pressure is exceeded. The housing material is made out of aluminium. Pilot-controlled pressure regulators are used when constant pressure is needed with a high flow rate. The pressure regulator can be locked using cylinder padlock.
Mounting brackets need to be ordered separately.



