Soft-start Valve G3/8x1/4 230VAC 1300 l/min Futura 1
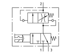
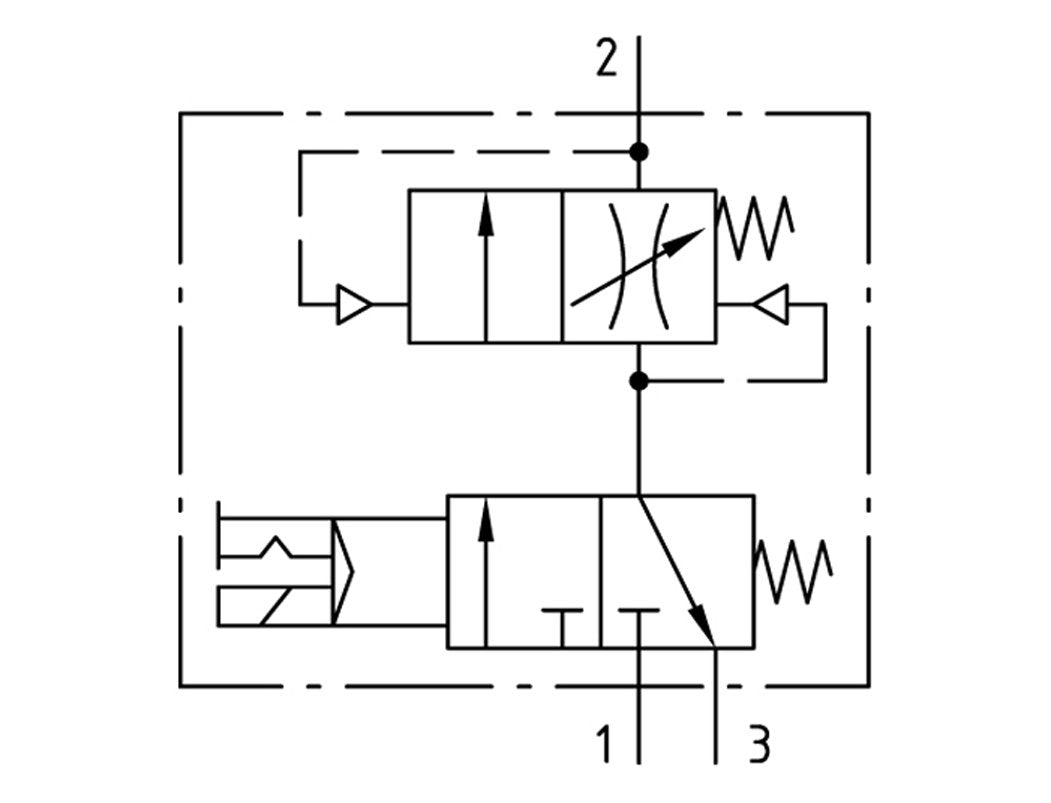
This soft-start valve provides a controlled increase of downstream pressure at startup and can be dumped when needed to exhaust the system pressure quickly. At a pressure of approximately 50% of the input pressure, the start-up valve switches over to maximum throughway. Pressure build-up can be slowed down or sped up using an adjustment screw. A soft start is necessary if cylinders moving too quickly can cause entrapment or damage during machine startup. The valve has G 3/8 inch and 1/4 inch ports and the maximum flow rate is 1300 l/min. The coil voltage is 230 V AC and nominal power 3 VA. The input pressure range is from 2.5 to 10 bar (36.25 to 145.0 psi). A shut-off valve must be installed before a start-up valve.
- Regular price
- £159.15
Description
This soft-start valve provides a controlled increase of downstream pressure at startup and can be dumped when needed to exhaust the system pressure quickly. At a pressure of approximately 50% of the input pressure, the start-up valve switches over to maximum throughway. Pressure build-up can be slowed down or sped up using an adjustment screw. A soft start is necessary if cylinders moving too quickly can cause entrapment or damage during machine startup. The valve has G 3/8 inch and 1/4 inch ports and the maximum flow rate is 1300 l/min. The coil voltage is 230 V AC and nominal power 3 VA. The input pressure range is from 2.5 to 10 bar (36.25 to 145.0 psi). A shut-off valve must be installed before a start-up valve.



